Copyright © 2018-2028 All Rights Reserved. 山东有色金属网 版权所有
鲁ICP备20160820号
现货仓储部
济南高新区:0531-82687956 0531-82687955 黄台仓储部:0531-68851288 0531-88968956
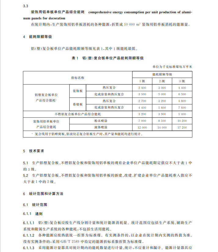
临沂仓储部:0539-8097951 0539-8818015 德州仓储部:0534-2448886 0534-2449998
服务时间:周一至周六 08:30 — 20:00 联系地址:山东济南解放路26号 邮政编码:250010
客服咨询:0531-88951768 网络销售部:0531-81188568 监督投诉电话:0531-88950343





